
ITECH 艾德克斯近日正式推出全新 IT-N6700 系列高压可编程直流电源△。该系列产品面向研发实验室▪●=、自动化测试设备(ATE)、半导体与电力电子等应用场景,围绕工程师在实际测试中最关注的安全性、可
24bit,192kHz集成数字音频接收接口的异步采样率转换器-MS8422N
异步采样率转换器(ASRC)通过数字域技术实现输入与输出采样速率的完全解耦▷,其核心原理如下:将输入采样速率映射为任意所需输出采样速率=,支持非整数倍转换(如44.1kHz转48kHz),分辨率可达几分之
格创东智新一代N2 Purge Stocker助力半导体高洁净度存储,打造国产存储生命线
近日,格创东智多台 N2 Purge Stocker 氮气填充晶圆存储立库在国内某头部 12 吋晶圆厂成功上线运行◁▼□。这一突破标志着国产 N2 Purge Stocker 已能满足逻辑芯片、存储产线
倒计时丨7月30—8月1日深圳见!全球智造巨头聚首,WAIE全数会智能工业展及大会邀您共启智能工业破局之旅!
2025年7月30日-8月1日,WAIE2025(第六届)全数会智能工业展及大会将在深圳福田会展中心隆重举行◇◇。作为聚焦工业制造的专业展会,本届展会以"聚焦数字经济,赋能智能工业发展"为主题,旨为全球智
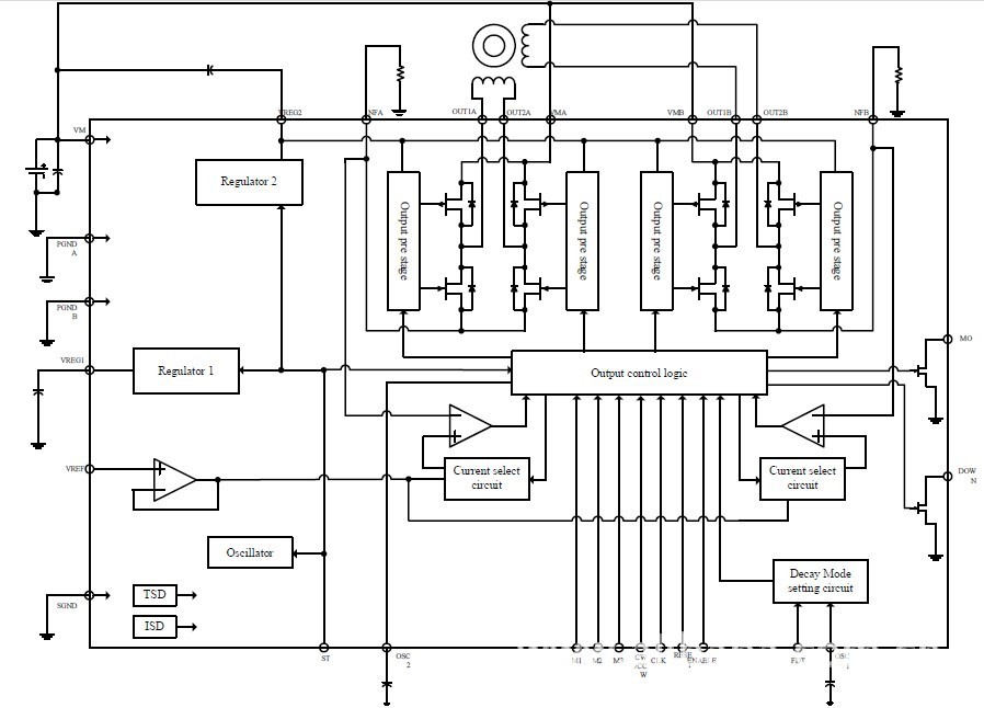
由工采网代理的SS6952T是一款高效大电流单通道集成电机驱动器,专为电机一体化应用设计,可提供7A的峰值电流◇★▼,支持驱动有刷直流电机、双极步进电机、螺线管等感性负载,芯片采用H桥电路设计▷◇,支持高达7A的峰值电流输出■•,并具备高集成度与多重保护机制,适用于工业自动化、消费电子★=、机器人◇•、医疗设备等领域
工采网代理的电机驱动芯片 - SS8812T为打印机和其它电机一体化应用提供一种双通道集成电机驱动方案。SS8812T有两路H桥驱动,每个H桥可提供较大输出电流1◇•.6A (在24V和Ta=25C适当散热条件下),可驱动两个刷式直流电机□,或者一个双极步进电机,或者螺线管或者其它感性负载
众所周知△◇,因为外部形势的紧张,美国通过自己的行政力量干涉半导体的自由贸易■▽,导致这几年全球的芯片企业都在扩产◇■=,因为半导体的自由贸易已死▷,自己不扩产就有可能被别人卡脖子▲。 所以我们看到,不管是美国的芯片企业,还是韩国的芯片企业,还是中国大陆的,欧洲的,中国台湾的芯片企业○▲,其实或多或少都在增加产能
随着技术创新的车轮不断向前,汽车行业正经历着前所未有的变革与飞跃。在这个充满活力与挑战的时代,每一项技术的进步、每一种创新的设计,都可能成为推动行业发展的关键力量。为了表彰这些在汽车领域中勇于探索、引领潮流的企业与个人▽,一年一度的“维科杯·OFweek 2024汽车行业年度评选▽◇”活动即将拉开帷幕